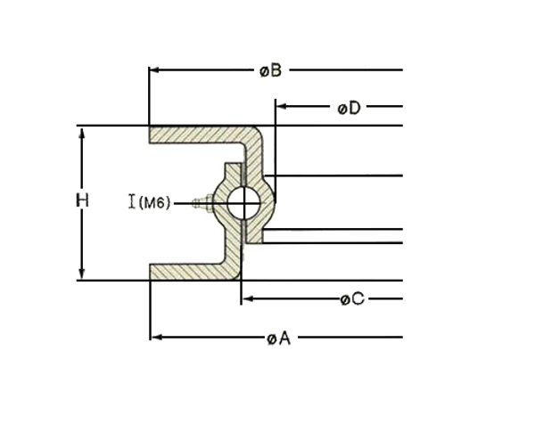
Vändkrans från Ø900mm till Ø1000mm
| Artikelnummer: | 958263 |
|---|
0 kr
Vändkransar används i arbetsmaskiner där det finns ett behov av att kunna snurra en hytt eller redskap. Inom tillverkningsindustrin behövs de till vändbord och vändskivor. Snökanoner vrids med hjälp av en vändkrans, kort sagt så används de till mycket som behöver vridas runt sin egen axel.
Vändkransarna finns i olika storlekar.
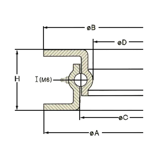
Vändkrans från Ø900mm till Ø1000mm
Vändkransar används i arbetsmaskiner där det finns ett behov av att kunna snurra en hytt eller redskap. Inom tillverkningsindustrin behövs de till vändbord och vändskivor. Snökanoner vrids med hjälp av en vändkrans, kort sagt så används de till mycket som behöver vridas runt sin egen axel.
Vändkransarna finns i olika storlekar.
Vändkrans från Ø900mm till Ø1000mm